E-Catalog > 8. FUTAMURA MACHINES & TOOLS > Hydraulic(HD)
Product Information :
- เครื่องจักร, อุปกรณ์เกี่ยวกับเครื่องจักร, เครื่องมือกล
- 8. FUTAMURA MACHINES & TOOLS
- สินค้า, ผลิตภัณฑ์
Product Detail :
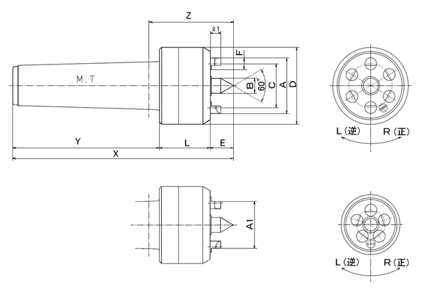
Specification
| Code No. | Type No. |
Workpiece Diameter |
A | A1 | B | C | F | d | D | E | L | Z | Y | X | No. of Jaws | |||||||||||
| Shank | OD |
|
||||||||||||||||||||||||
|
M.T3 | HD-15 |
|
15~22 | - | 15 | 7 | 15 | 6 | 36 | 58 | 6 | 20 | 39 | 14.8 | 59 | 69 | 85 | 158.8 | 4 | ||||||
|
M.T3 | HD-21 | R L Common Jaws |
21~31 | 21 | - | 7 | 15 | 6 | 36 | 58 | 6 | 20 | 39 | 14.8 | 59 | 69 | 85 | 158.8 | 4 | ||||||
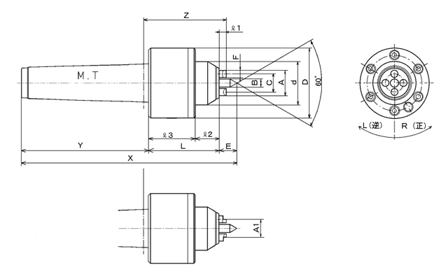
Specification
| Code No. | Type |
Workpiece Diameter |
A | A1 | B | C | F | D | E | L | Z | Y | X | No. of Jaws | |||||||
| Shank | OD |
|
|||||||||||||||||||
|
M.T4 | HD-32 | R | 32~54 | - | 32 | 12 | 27 | 11 | 56 | 10 | 20 | 48 | 76 | 110 | 178 | 5 | ||||
|
M.T5 | L | 78 | 139 | 207 | ||||||||||||||||
|
M.T4 | HD-38 | R | 38~64 | 38 | - | 12 | 27 | 11 | 56 | 10 | 20 | 48 | 76 | 110 | 178 | 5 | ||||
|
M.T5 | L | 78 | 139 | 207 | ||||||||||||||||
|
M.T5 | HD-46 | R | 46~78 | - | 46 | 14 | 41 | 11 | 72 | 10 | 22 | 48 | 80 | 139 | 209 | 6 | ||||
| L | |||||||||||||||||||||
|
M.T5 | HD-52 | R | 52~88 | 52 | - | 14 | 41 | 11 | 72 | 10 | 22 | 48 |
80 |
139 | 209 | 6 | ||||
| L | |||||||||||||||||||||
|
M.T5 | HD-75 | R | 75~130 | 75 | - | 20 | 61 | 16 | 97 | 15 | 30 | 65 | 105 | 139 | 234 | 6 | ||||
| L | |||||||||||||||||||||
|
M.T5 | HD-100 | R | 100~170 | 100 | - | 25 | 86 | 16 | 122 | 15 | 35 | 70 | 120 | 144 | 249 | 8 | ||||
| L |
|||||||||||||||||||||
F = Diameter of jaw
-Runout of center to M.T. (max.) : TIR0.01
-Specify the direction of rotation, R for forward roration and L for reverse. (Clockwise direction (L) and counterclockwise direction (R) facing the spindle)
Features
If a workpiece has some inclination on its end face, the jaws of this center are actuated accurately to hold the workpiece in even contact with its end face.
- Ensure high efficiency for center work without requiring lathe dogs.
- Grip the end face so that any workpiece can be finnished from one end to the other in one pass without requiring any gripped area.
- Allows any workpiece to be machined up to its end without needing to reverse so that time is saved and uniform accuracy maintained.
- Allow any workpiece to be supported at a given position independently of its center hole size, and allows the length to be set because the end face is scratched only little.
- Requires no operation once installed to a lathe.
- Allows a workpiece to be installed or removed during rotation of a lathe spindle.
Model HD
- The Hydraulic mechanism for jaw operation ensures higher workpiece accuracy than the standard type.
- Uses high speed steel for the jaws and center shaft to improve durability.
- Especially recommended for use with NC machines.



